GXP6295
1 基本性能
• 宽压力范围
• 自主知识产权芯片设计
• 高精度、已校准补偿
• 温度补偿范围:-5~65℃
• 采用表面贴 SMT 封装
• 电源范围:4.75V~5.25V
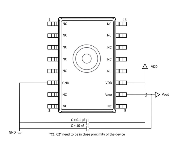
• 封装方式:SOP16
2 应用范围
• 医疗监测:呼吸机等呼吸系统、医疗病床
• 工业控制:消防余压监测、暖风空调
• 白色家电:洗衣机液位和压力测量
3 芯片概述
GXP6295 系列压力传感器是一种超小型的集成式低压高精度半导体压力传感器,适用于医疗、工业控制、白色家电等领域。采用标准的表面贴 SMT 封装形式,方便用户后续进行安装使用。
利用 MEMS(微机械电子系统简称) 技术加工的硅压阻式压力敏感芯片,该传感器采用算法实现多阶温度补偿,提供与所施加的压力成比例的精确、模拟电平输出信号。


产品参数
| 主要功能 | MEMS表压传感器 | 量程范围 | 0~4k Pa |
|---|---|---|---|
| 激励电压 | 4.75V~5.25V | 激励电流 | typ2.8mA |
| 压力种类/介质 | 表压/空气 | 工作温度 | -20℃~+85℃ |
| 封装类型 | SOP16 |
