GXA539
1 基本性能
• 直接替代 xCA9535 / 9539 / 9555
• 电源电压:1.6V ~ 5.5V
• 工作温度:- 55°C ~ +125°C
• 待机电流:0.5μA
• 可直接驱动LED
• 开漏输出的中断引脚
2 应用场景
• 服务器
• 通信机柜
• 工业自动化设备
• 处理器 GPIO 数量受限的产品
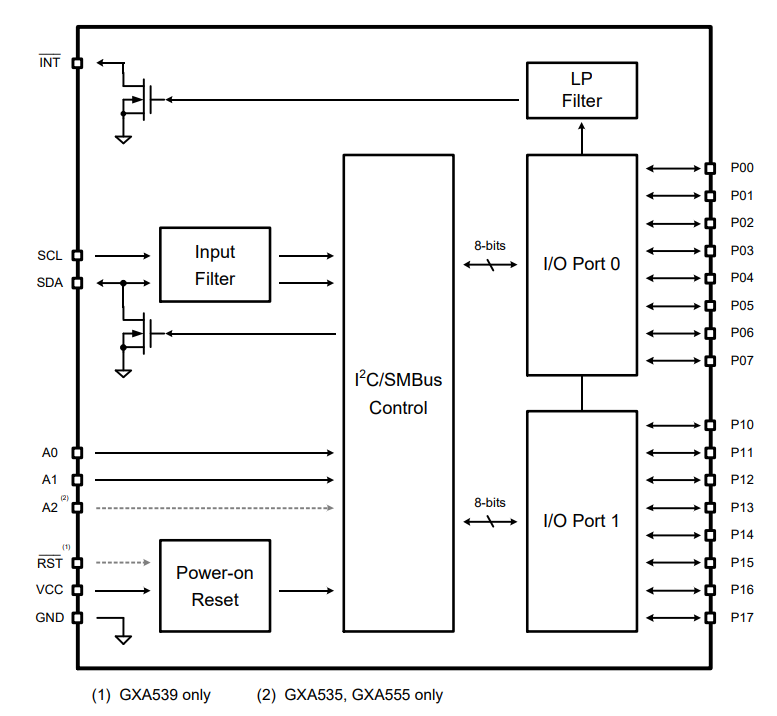
3 芯片概述
GXA535 系列用于扩展通用输入输出端口(GPIO)。端口数据通过标准两线 I2C 协议传输,最高可支持 1MHz通信速率(开启高速模式后最高可支持 2MHz)。
GXA535 系列具有 16 位推挽型 GPIO 端口,均可直接驱动 LED 元件。GPIO 端口的每一位都可以单独配置为输入或输出模式,其中上电默认为输入模式。
GXA555 内置弱上拉电阻,为每个 GPIO 端口赋予默认高电平。GXA539 具有低有效的复位输入引脚。


产品参数
| 主要功能 | I2C GPIO扩展 | 通讯方式 | I2C |
|---|---|---|---|
| 工作电压 | 1.6V-5.5V | 工作温度 | -40℃~+85℃ |
| GPIO数量 | 16 | 最大通信速率 | 2MHz |
| 待机电流 | 0.5μA | 封装形式 | TSSOP24L,QFN24L |
| 其他功能 | 有复位输入引脚 |

